详细介绍

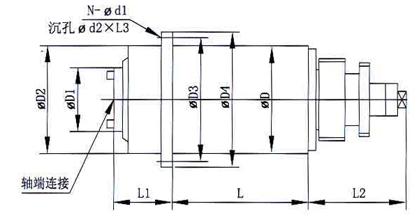
数控铣床及加工中心皮带轴技术参数:

公司简介
安阳市普瑞森机械有限责任公司是集主轴的研发、生产于一体的科技型公司。拥有先进的电机主轴、机床主轴设计和制造技术、设备精良,品质可靠。
产品有四大类12个系列200多个品种,主要适用于数控加工,高速内外圆磨削、高速钻铣及雕刻、木工镂铣等。
数控机床主轴包括电动主轴、皮带传动主轴量大系列与数控车、铣、镗加工配套。
磨削电机主轴包括电机主轴包括AD、ADW、ADL、ADQ四大系列。AD系列适用于40米/秒(砂轮线速度)以下磨削;ADW、ADL、ADQ分别适用于50、60、70米/秒磨削,其中ADQ系列是一种高钢度、大功率电机主轴,主要指标接近或达到国际水平。
钻铣电机主轴包括ADX、ADM两大系列。与数控钻、数控铣、雕刻机、木工机械等机床配套。
皮带主轴包括PZ、MX两大系列,分别应用于内外圆磨床和木工机床,均与国内主要机床厂家配套。
此外,我公司还可根据广大新老用户的特殊要求,开发研制各种用途和规格的主轴,并提供便捷、热忱的服务。


